CAVU Aerospace UK

Transformerless Ethernet using Capacitive Coupling in Embedded and Backplane Systems

  1. Introduction

Ethernet interfaces traditionally use magnetics (transformers) to provide galvanic isolation and common-mode noise rejection. However, in tightly integrated embedded systems or backplane designs, transformerless Ethernet becomes desirable due to:

  • Board space limitations
  • Cost and height constraints
  • Lack of isolation requirement (e.g., shared ground plane)

This note explains the principles of transformerless Ethernet using AC coupling, with a focus on the differences between voltage-mode and current-mode PHY drivers, and details practical implementation strategies.

 

  1. Ethernet Line Driver Architectures

Ethernet PHYs use one of two driver architectures to transmit data differentially: voltage-mode or current-mode.

2.1 Voltage-Mode Line Drivers

  • Definition: Voltage-mode drivers actively drive a voltage swing across the transmission line.
  • Characteristics:
    • Low output impedance
    • Often include internal 50-ohm termination
    • Self-biased (no need for external common-mode voltage)
    • Suitable for AC-coupled operation
  • Examples of compatible standards:
    • 1000BASE-KX (IEEE 802.3ap) – Backplane Ethernet
    • 1000BASE-CX (IEEE 802.3z does not mandate voltage-mode driver architecture; PHY vendors may choose either) – Short-reach copper links (up to 25 m)
Transformerless Ethernet, Capacitive Coupling, Backplane Systems, Ethernet interfaces, galvanic isolation, common-mode noise rejection

2.2 Current-Mode Line Drivers

  • Definition: Current-mode drivers source or sink a constant current, developing a voltage across external termination.
  • Characteristics:
    • High output impedance
    • Requires external termination resistors
    • Requires external bias voltage (typically via pull-up resistors to 2.5 V or VDD)
    • Not naturally compatible with AC coupling without additional circuitry
  • Examples of compatible standards:
    • 1000BASE-T (IEEE 802.3ab) – Gigabit Ethernet over twisted pair (RJ45)
Transformerless Ethernet, Capacitive Coupling, Backplane Systems, Ethernet interfaces, galvanic isolation, common-mode noise rejection
  1. Transformerless Ethernet via Capacitive Coupling

AC coupling using capacitors allows transformerless Ethernet connections by blocking DC components while preserving the differential AC signals. This is particularly effective in:

  • PCB backplanes
  • On-board communication between two PHYs or MAC-PHY connections
  • Systems with shared ground references

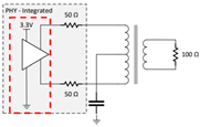
3.1 Voltage-Mode PHY ↔ Voltage-Mode PHY

  • Required Components: Just series AC coupling capacitors (typically 100 nF X7R).
  • Termination: Provided internally by the PHY.
  • Biasing: Managed internally; no external biasing required.
  • Applications:
    • Compact embedded systems
    • Multi-board systems with backplane traces
Transformerless Ethernet, Capacitive Coupling, Backplane Systems, Ethernet interfaces, galvanic isolation, common-mode noise rejection

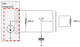
3.2 Current-Mode PHY ↔ Current-Mode PHY

  • Required Components:
    • Series AC coupling capacitors
    • External 50-ohm pull-up resistors to 2.5 V or VDD on each differential signal line
  • Termination: Must be provided externally.
  • Biasing: Required to establish correct common-mode voltage.
  • Risks: Improper biasing may lead to degraded signal quality or link failure.
Transformerless Ethernet, Capacitive Coupling, Backplane Systems, Ethernet interfaces, galvanic isolation, common-mode noise rejection

3.3 Voltage-Mode PHY ↔ Current-Mode PHY

  • Asymmetric Configuration:
    • Voltage-mode side: AC coupling only
    • Current-mode side: Requires external pull-up resistors for biasing
  • Use Case: Typically discouraged unless validated via simulation or test due to mismatch in drive behavior
Transformerless Ethernet, Capacitive Coupling, Backplane Systems, Ethernet interfaces, galvanic isolation, common-mode noise rejection
  1. Standard Ethernet Configurations vs. Transformerless Operation

IEEE Standard

Media Type

Driver Type

Max Length

Transformerless Feasible?

Notes

1000BASE-T

Cat 5e/6 Twisted Pair

Current-mode

100 m

No

Requires magnetic isolation

1000BASE-CX

Shielded Copper (Twinax)

Voltage-mode *

25 m

Yes

Short-reach, DC-coupled or AC-coupled

1000BASE-KX

PCB Backplane

Voltage-mode

~1 m

Yes

Designed for transformerless usage

*Actual driver depends on implementation.

 

 

  1. Notes on RJ45 and Mixed Interfaces

When connecting a capacitive-coupled PHY to an RJ45 transformer-coupled port, consider the following:

  • Isolation mismatch may violate IEEE 802.3 safety standards
  • Common-mode voltage differences can degrade performance
  • Use magnetics modules or integrated RJ45 jacks for proper coupling.
  1. Recommendations

Choose Voltage-Mode PHYs with Internal Termination and AC-Coupling Support:

    • Voltage-mode drivers are designed to drive a defined voltage swing across the differential pair, and they control their own common-mode output voltage, making them naturally compatible with AC-coupling.
    • Internal termination (e.g., 100 Ω differential impedance built into the PHY) simplifies board layout and ensures proper signal reflections are suppressed—critical in high-speed links like Gigabit Ethernet.
    • If AC coupling is not documented, the PHY may expect a fixed DC bias at its input, and coupling capacitors may lead to incorrect voltage levels or link failure.
    • Conclusion: This combination ensures clean signal operation without the need for biasing resistors or transformers, leading to reliable and compact PCB designs, especially in space, automotive, or backplane systems.

Use 1000BASE-KX or 1000BASE-CX PHYs for backplane and internal Ethernet:

  • 1000BASE-KX (IEEE 802.3ap) is explicitly designed for backplane transmission over PCB traces, with AC coupling and transformerless operation defined in the standard. It mandates voltage-mode signaling and supports equalization and link training.
  • 1000BASE-CX (IEEE 802.3z) uses shielded 150-ohm copper cable, often for rack-level interconnects, and is also based on voltage-mode drivers. While transformerless operation isn’t explicitly mandated, many implementations (especially SFP+ Direct Attach) omit magnetics in short-distance links.
  • Conclusion: These standards and their PHY implementations are inherently suited to transformerless, space- and height-constrained designs (e.g., satellites, automotive modules, or high-speed control boards).

Avoid transformerless configurations with 1000BASE-T or current-mode PHYs unless the design is well characterized.

  • 1000BASE-T (IEEE 802.3ab) is designed for long-distance twisted-pair cabling (up to 100 m) and requires:
    • Galvanic isolation via transformers (per IEEE safety requirements).
    • Current-mode drivers, which do not define a common-mode voltage and instead rely on external termination and biasing.
  • Using capacitors alone with current-mode PHYs can lead to:
    • Floating input nodes (causing noise and false signaling).
    • Inconsistent common-mode levels, increasing bit error rates.
    • Potential damage if DC imbalance or overshoot occurs.
  • If transformerless use is attempted with 1000BASE-T, it requires explicit design for biasing, termination, and link compatibility, often only done in closed systems with known PHY pairs.
  • Conclusion: Without exhaustive testing, such configurations are electrically risky and non-compliant with Ethernet safety standards. Avoid them unless the system is fully characterized and operates in a controlled environment (e.g., custom internal links in space hardware).

Validate mixed configurations using simulation tools or prototype testing.

  • Mixed-mode connections (e.g., voltage-mode PHY ↔ current-mode PHY) or non-standard configurations (e.g., AC-coupled 1000BASE-T PHY ↔ RJ45) involve:
  • Differences in impedance, common-mode behavior, and termination expectations.
  • Risk of link negotiation failures or silent data corruption.
  • Signal integrity (SI) tools such as HyperLynx, ADS, or SPICE-based simulations can model AC coupling, line impedance, and signal swing.
  • Prototype validation using real PHYs and test cables helps verify link training, auto-negotiation, and packet loss under real EMI and loading conditions.
  • Conclusion: Even in voltage-mode-to-voltage-mode cases, signal reflections, board layout, and return loss must be verified. For mixed or edge cases, simulation and lab testing are essential for production confidence.